| 名称 | B型カバー(B-P型)ポリエチレン製タイプ | |||||||
|---|---|---|---|---|---|---|---|---|
| 材質 | ポリエチレンt2.3mm SPHC | |||||||
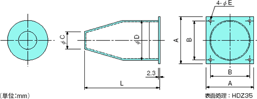
| 図・寸法 | ![]() |
|||||||
| 呼称 | A | B | C | D | L | E | 質量(kg) | |
| [2] | (G)260kN | 155 | 135 | 90 | 145 | 360 | 11 | 1.0 |
| 510 | 1.3 | |||||||
| [3] | (G)390kN | 155 | 135 | 90 | 145 | 360 | 11 | 1.0 |
| 510 | 1.3 | |||||||
| [4] | (G)570kN | 210 | 170 | 90 | 185 | 450 | 13 | 1.5 |
| 600 | 1.9 | |||||||
| [5] | (G)730kN | 210 | 170 | 90 | 185 | 450 | 13 | 1.5 |
| 600 | 1.9 | |||||||
| [6] | (G)1000kN | 250 | 210 | 100 | 205 | 470 | 13 | 2.0 |
| 620 | 2.3 | |||||||
| [7] | (G)1300kN | 280 | 240 | 110 | 240 | 480 | 13 | 2.4 |
| 630 | 2.8 | |||||||
1.Lはスプリング取付長(s)により、下記のとおりとします。
0 ≦ s ≦ 200mmの場合…上段
200 < s ≦ 350mmの場合…下段
sが350mmを超える場合は御相談ください。
2.カバーの固定は、定着部取付ボルトを使用します。
| 名称 | B型カバー(B-M型)鋼製タイプ | ||||||||
|---|---|---|---|---|---|---|---|---|---|
| 材質 |
|
||||||||
| 図・寸法 | ![]() |
||||||||
| 呼称 | A | B | C | D | L | 質量(kg) | |||
| [1] | (G)180kN | 110 | 90 | 90 | 11 | 160~510 | 2.1 | ||
| [8] | (G)1500kN | 305 | 265 | 260 | 13 | 300~650 | 9.0 | ||
| [9] | (G)1800kN | 325 | 285 | 280 | 13 | 320~670 | 10.1 | ||
| [10] | (G)1900kN | 340 | 300 | 280 | 13 | 320~670 | 10.3 | ||
| [11] | (G)2300kN | 365 | 325 | 280 | 20 | 330~680 | 10.9 | ||
| [12] | (G)2700kN | 400 | 340 | 280 | 20 | 340~690 | 11.6 | ||
| [13] | (G)3200kN | 425 | 365 | 280 | 20 | 350~700 | 12.3 | ||
| [14] | (G)3400kN | 450 | 390 | 280 | 20 | 380~730 | 13.2 | ||
| [15] | (G)4000kN | 480 | 420 | 280 | 20 | 390~740 | 14.0 | ||
| [16] | (G)4600kN | 520 | 460 | 330 | 20 | 410~760 | 16.7 | ||
| [17] | (G)5200kN | 550 | 490 | 330 | 20 | 410~760 | 17.5 | ||
| [18] | (G)5700kN | 580 | 520 | 330 | 20 | 420~770 | 18.5 | ||
1.Lはスプリング取付長(0mm~350mm)で決定しています。
2.フランジの板厚(*)はLにより異なることがあります。
3.質量はLが最大(スプリング取付長350mm)の値です。